Suche
MCZ-Pelletöfen und -Ersatzteile, dann sind Sie bei mir richtig Eingeschränkte Erreichbarkeit, Mo.-Fr. ab 10 Uhr OpaEde´s Alters-Freizeit - sporadisch auf Reise
Aktueller Filter
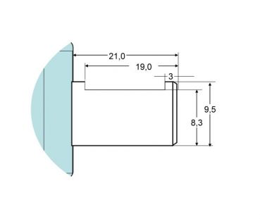
1 Stück verfügbar Hersteller: MELLOR Motor mit Getriebe für Pelletsförderschnecke 220V 50HZ, Drehzahl = 1,5 Umdrehungen pro Minute UNIVERSAL für Pelletöfen vieler Hersteller, u.a. für: MCZ, EDILKAMIN, MONTEGRAPPA Antriebswelle: Ø = 9,5 mm, lang = 21 mm Magnetpaket: 25 mm
Hersteller: MELLOR Motor mit Getriebe für Pelletsförderschnecke, für Pelletöfen von
Drehzahl = 2,0 Umdrehungen pro Minute Antriebswelle: Ø = 8,5 mm, lang = 27 mm Magnetpaket: 25 mm
{{.}}
{{{.}}}